
|
型號\尺寸
|
a
|
B1
|
B2
|
C1
|
C2
|
h
|
H
|
H1
|
d3
|
d1
|
l1
|
b1
|
|
KWO32
|
32
|
97
|
88
|
75
|
75
|
10
|
90
|
126
|
M5
|
12j6
|
25
|
4
|
|
KWO40
|
40
|
110
|
98
|
85
|
82
|
12
|
112
|
156
|
M6
|
14j6
|
25
|
5
|
|
KWO50
|
50
|
130
|
120
|
100
|
100
|
15
|
132
|
189
|
M8
|
16j6
|
28
|
5
|
|
KWO63
|
63
|
146
|
140
|
115
|
120
|
16
|
160
|
221
|
M10
|
18j6
|
28
|
6
|
|
KWO80
|
80
|
175
|
170
|
140
|
145
|
20
|
200
|
270
|
M12
|
22j6
|
36
|
6
|
|
KWO100
|
100
|
210
|
200
|
170
|
170
|
24
|
250
|
339
|
M12
|
24j6
|
36
|
8
|
|
型號\尺寸
|
t1
|
L1
|
d2
|
l2
|
b2
|
t2
|
L2
|
L3
|
L4
|
質量(kg)
(不含油)
|
|
KWO32
|
13.5
|
78
|
16j6
|
28
|
5
|
18
|
80
|
—
|
43
|
3.8
|
|
KWO40
|
16
|
84
|
20j6
|
36
|
6
|
22.5
|
95
|
—
|
49
|
7.5
|
|
KWO50
|
18
|
98
|
22j6
|
36
|
8
|
24.5
|
105
|
—
|
57
|
10
|
|
KWO63
|
20.5
|
118
|
30j6
|
58
|
8
|
33
|
136
|
86
|
65
|
17
|
|
KWO80
|
24.5
|
146
|
38k6
|
58
|
10
|
41
|
158
|
105
|
84
|
29.5
|
|
KWO100
|
27
|
165
|
40k6
|
82
|
12
|
43
|
190
|
123
|
95
|
47
|
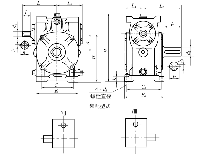
KWO蝸輪蝸桿減速機的外形、安裝尺寸和裝配型式 (mm)
|
型號\尺寸
|
a
|
B1
|
B2
|
C1
|
C2
|
h
|
H
|
H1
|
d3
|
d1
|
l1
|
b1
|
|
KWO125
|
125
|
270
|
245
|
220
|
210
|
32
|
315
|
424
|
M16
|
32 k6
|
58
|
10
|
|
KWO160
|
160
|
325
|
295
|
270
|
255
|
40
|
385
|
525
|
M16
|
42k6
|
82
|
12
|
|
KWO180
|
180
|
368
|
325
|
290
|
280
|
45
|
435
|
595
|
M20
|
45k6
|
82
|
14
|
|
KWO200
|
200
|
410
|
325
|
315
|
295
|
45
|
475
|
645
|
M20
|
48k6
|
82
|
14
|
|
KWO225
|
225
|
450
|
380
|
350
|
325
|
55
|
530
|
720
|
M24
|
48k6
|
82
|
14
|
|
KWO250
|
250
|
500
|
415
|
435
|
355
|
65
|
600
|
800
|
M24
|
55m6
|
82
|
16
|
|
型號\尺寸
|
t1
|
L1
|
d2
|
l2
|
b2
|
t2
|
L2
|
L3
|
L4
|
質量(kg)
(不含油)
|
|
KWO125
|
35
|
218
|
55m6
|
82
|
16
|
59
|
215
|
202
|
125
|
75
|
|
KWO160
|
45
|
276
|
65m6
|
105
|
18
|
69
|
266
|
242
|
155
|
138
|
|
KWO180
|
48.5
|
300
|
75m6
|
105
|
20
|
79.5
|
280
|
267
|
167
|
192
|
|
KWO200
|
51.5
|
324
|
80m6
|
130
|
22
|
85
|
321
|
299
|
185
|
264
|
|
KWO225
|
51.5
|
342
|
90m6
|
130
|
25
|
95
|
337
|
320
|
198
|
330
|
|
KWO250
|
59
|
374
|
100m6
|
165
|
28
|
106
|
390
|
343
|
219
|
450
|

冀公網安備13092802000153號